Công ty TNHH Điện Zhejiang, Ltd.
Công ty TNHH Điện Zhejiang, Ltd.
Các sản phẩm
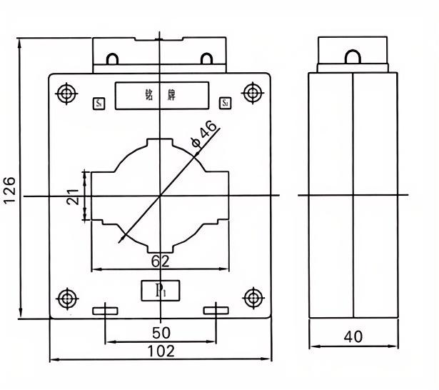
BH-0.66-60 Transformers hiện tại
  • BH-0.66-60 Transformers hiện tạiBH-0.66-60 Transformers hiện tại

BH-0.66-60 Transformers hiện tại

BH -0.66-60 Máy biến áp hiện tại áp dụng Vật liệu chống cháy PC - và vật liệu tiến hành từ tính là một lõi hình xuyến được ủ để đảm bảo độ chính xác của sản phẩm ở mức 0,2 và 0,5. Đối với các mức độ chính xác cao như 0,2 và 0,5, chỉ có nam châm siêu dẫn có thể đáp ứng các yêu cầu chính xác như vậy.

BH-0.66-60 Máy biến áp hiện tại được áp dụng cho các hệ thống điện với tần số định mức là 50Hz và điện áp định mức 0,66kV, 0,69kV, 0,5kV và dưới để đo năng lượng điện, đo dòng điện và bảo vệ rơle.


Máy biến áp hiện tại của Dahu là để sử dụng trong nhà, được cài đặt bên trong tủ và hộp phân phối. Nó có thiết kế mạch từ tính mới, phương pháp bù nâng cao, kỹ thuật xử lý tinh tế, hiệu suất an toàn và đáng tin cậy, và vẻ ngoài nhỏ và đẹp.


Vỏ bên ngoài được làm bằng ngọn lửa mạnh - PC chống cháy với cấu trúc kín hoàn toàn và đánh giá của ngọn lửa - chất chống trễ của V1. Lõi bên trong được làm bằng các tấm thép silicon theo định hướng hạt chất lượng cao. Đường kính dây được lựa chọn nghiêm ngặt theo mật độ hiện tại kinh tế để đảm bảo tăng nhiệt độ ít hơn. Với thiết bị thử nghiệm nâng cao và đáng tin cậy, nó đảm bảo tuân thủ các tiêu chuẩn chất lượng.


Nó có các loại lỗ vuông và lỗ tròn, phù hợp cho sự xâm nhập của cáp đơn hoặc nhiều gốc hoặc thâm nhập thanh cái đơn lẻ. Nó có một loạt sản phẩm hoàn chỉnh, nhiều thông số kỹ thuật và phạm vi ứng dụng rộng.


Ứng dụng

Giám sát năng lượng và đo sáng

Bảo vệ mạch và phối hợp chuyển tiếp

Tự động hóa công nghiệp và hệ thống lưới thông minh

Thông số kỹ thuật

Điện áp định mức: 0,66kV

Tần suất: 50/60Hz

Lớp chính xác: 0,5, 1.0 (có thể tùy chỉnh)

Mức cách nhiệt: 3kV/phút


Thông số kỹ thuật chính

Xếp hạng chính
hiện tại (a)
Sự chính xác
lớp học
sự kết hợp
Đầu ra thứ cấp được xếp hạng (VA) Dòng nhiệt 1S (KA) Dòng điện động được xếp hạng (KA)
0,2 (s) 0.2 0.5 10p10
5-40 0,2/10p10
0,5/10p10
/ 10 10 15 90lin 220lin
5-40 100lin 250lin
5-40 20 50
5-40
5-40 36 90
10
5-40 45 100
5-40 56 100
5-40
5-40 80 110
5-40 100 110


Thẻ nóng: BH-0.66-60 Transformers hiện tại
Gửi yêu cầu
Thông tin liên lạc
Nếu bạn có bất kỳ yêu cầu nào về báo giá hoặc hợp tác, xin vui lòng gửi email cho chúng tôi tại river@dahuelec.com hoặc sử dụng mẫu yêu cầu sau. Đại diện bán hàng của chúng tôi sẽ liên hệ với bạn trong vòng 24 giờ. Cảm ơn bạn đã quan tâm đến các sản phẩm của chúng tôi.
X
We use cookies to offer you a better browsing experience, analyze site traffic and personalize content. By using this site, you agree to our use of cookies. Privacy Policy
Reject Accept